一品楼破软件解版栖凤阁论坛(登录) ,bhc论坛51茶馆 ,加v15628761391是骚扰电话吗一品夜茶论坛,一品楼兰州论坛

收藏本站在线留言网站地图 您好!欢迎来到成都熊谷加世电器有限公司 官网!
全国咨询热线 :

17882231233业务
13908172931技术

熊谷为你奉上有价值的管道焊机资讯

熊谷管道自动焊与半自动焊对比优势在哪里?

返回列表 来源: 成都熊谷加世电器有限公司 发布日期: 2020.06.11

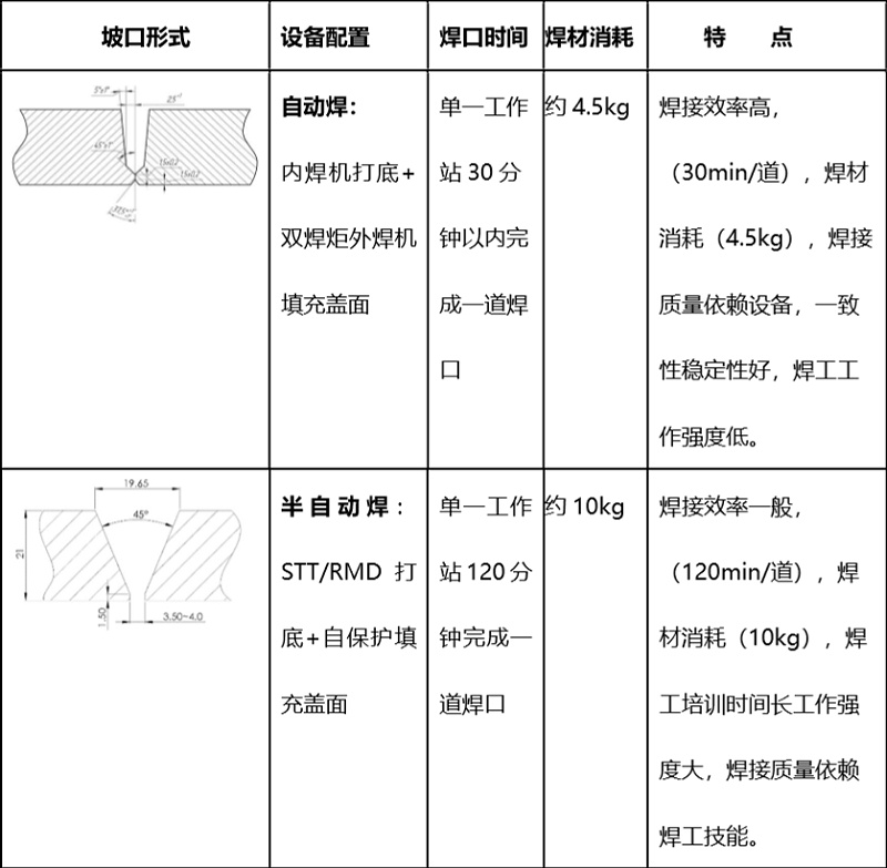
近几年国内长输管道主线焊接由半自动焊接设备工艺方法转变到全自动焊接设备工艺方法,焊接工艺和装备发生了显著的变化,两者的差异性在哪里?下面以管径1016mm、壁厚21mm的管道两种典型的焊接方法作对比分析。

管道自动焊

通过以上两种不同的焊接方法对比可以看出,由于采用的焊接设备不同,工艺方法就发生了显著变化,自动焊接方法由于自动焊机设备能力的提升,焊缝坡口形式变成了“窄间隙坡口”形式,需要填充的焊接材料减少,由于填充的方式是采用了双焊炬外焊机填充以及窄间隙坡口形式让焊接焊接时间大幅减少,因此,焊材可以节约一倍以上,焊接时间可以节约2倍。同样半自动焊机由于靠人工进行操作,焊缝坡口形式只能采用较宽的坡口,这样同样管径的焊口消耗的焊材就成倍增加,焊接效率成倍下降。

管道自动焊

相对手工焊和半自动焊接,以管道直径Φ1016为例,一个全自动机组正常情况下平均每天可完成管道焊口35-50道左右,是半自动焊的工作效率 3-4倍,与此同时全自动焊的优势在于焊接参数可远程实时传输监控、焊接参数稳定、焊接速度快、焊缝质量高、焊缝力学性能离散化低、质量稳定,结合我国灾害多发、人口众多等国情特点,全自动焊接施工对保障管道本体安全、公众和环境安全至关重要。因此我们国家近几年来主推替代传统手工半自动的工艺方法,也是国际主要的长输管道施工方法。

管道自动焊

咨询热线

400-8080-663